Analog Devices Inc. Amplificador de error aislado ADuM3190
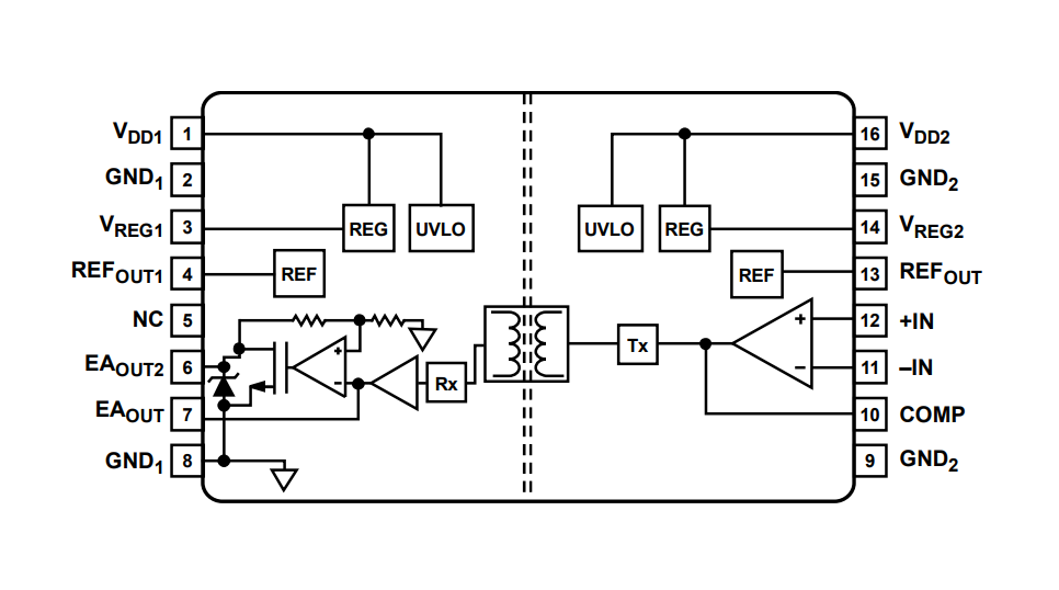
El ADuM3190/4190 de Analog Devices es un amplificador de error aislado basado en la tecnología iCoupler® de ADI y es ideal para fuentes de alimentación con respuesta lineal y controladores laterales primarios. Permite mejorar la respuesta transitoria, la densidad de potencia y la estabilidad en comparación con los optoacopladores y las soluciones de reguladores de derivación normalmente utilizados. A diferencia de las soluciones basadas en optoacopladores que tienen un ratio de transferencia de corriente incierto durante su vida útil y a altas temperaturas, la función de transferencia del ADuM3190/4190 no cambia a lo largo de su vida útil y es estable en un rango amplio de temperaturas de -40 °C a 125 °C. Se incluye un amplificador operacional de banda ancha que puede usarse para configurar varias técnicas de compensación del bucle de la fuente de alimentación. El ADuM3190/4190 es lo suficientemente rápido como para permitir que un bucle de respuesta reaccione a las condiciones transitorias rápidas y a las condiciones de corriente. El dispositivo también incluye una referencia de 1,225 V de alta precisión para compararla con el punto de consigna de la salida de la alimentación.The ADI ADuM3190/4190 includes a wide band operational amplifier that can be used to set up a variety of commonly used power supply loop compensation techniques. ADuM3190/4190 is fast enough to allow a feedback loop to react to fast transient conditions and over current conditions. The device also includes a high accuracy 1.225V reference to compare with the supply output set point.
Características
- Stable over time and temperature
- 0.5% initial accuracy
- 1% accuracy over the full temperature range
- Compatible with Type II or Type III compensation networks
- 1.225V Reference voltage
- Compatible with DOSA
- <7mA Total low power operation
- Wide voltage supply range
- VDD1 is 3V to 20V
- VDD2 is 3V to 20V
- 400kHz Bandwidth
- 2.5kVrms Isolation voltage
Aplicaciones
- Linear power supplies
- Inverters
- Uninterruptible Power Supply
- DOSA-compatible modules
- Voltage monitors
Block Diagram
Additional Resources
Using the ADuM4136 Isolated Gate Driver and LT3999 DC-to-DC Converter to Drive a 1200V SiC Power Module
Learn More
Publicado: 2013-05-30
| Actualizado: 2022-03-11
