Analog Devices Inc. ADRF6780 Microwave Upconverters
Analog Devices Inc. ADRF6780 Microwave Upconverters are based on Silicon Germanium (SiGe) and operate over a wideband frequency range of 5.9GHz to 23.6GHz. These upconverters offer two upconversion modes: direct conversion from baseband I/Q to RF and Single-Side-Band (SSB) upconversion from real Intermediate Frequency (IF). The ADRF6780 upconverter comes in a compact, thermally enhanced, 5mm x 5mm LFCSP package. The ADRF6780 operates over the -40°C to 85°C temperature range. Typical applications include point-to-point microwave radios,radar, electronic warfare systems, instrumentation, and Automatic Test Equipment (ATE).
Features
- 5.9GHz to 23.6GHz wideband RF output frequency range
- Two upconversion modes
- Direct conversion from baseband I/Q to RF
- Single sideband upconversion from real IF
- 5.4GHz to 14GHz LO input frequency range
- LO doubler for up to 28GHz
- Matched 100Ω balanced RF output, LO input, and IF input
- High impedance baseband inputs
- Sideband suppression and carrier feedthrough optimization
- Variable attenuator and power detector for Tx power control
- Programmable via 4-wire SPI interface
- 32-lead, 5mm x 5mm LFCSP microwave packaging
Applications
- Point-to-point microwave radios
- Radar and electronic warfare systems
- Instrumentation
- Automatic Test Equipment (ATE)
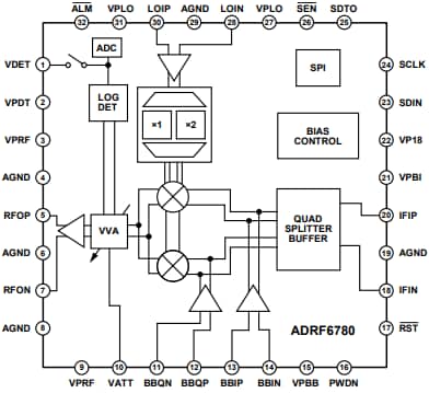
Functional Block Diagram
Dimensions
Publicado: 2026-02-13
| Actualizado: 2026-03-02
