Analog Devices Inc. ADPL13602 Synchronous Step-Down DC-DC Converters

Analog Devices Inc. ADPL13602 Synchronous Step-Down DC-DC Converters are high-efficiency components with integrated MOSFETs operating over an input-voltage range of 3.5V to 36V. The 16-pin (3mm x 3mm) TQFN-EP packaged ADPL13602 can deliver up to 2.4A current. Output voltage is programmable from 1V up to 90% of VIN. Built-in compensation across the output-voltage range eliminates the need for external compensation components.

The ADI ADPL13602 features a peak-current-mode control architecture. The ADPL13602 can be operated in forced pulse-width modulation (PWM) or discontinuous conduction mode (DCM) to enable high efficiency under full- and light-load conditions. ADPL13602 offers a low minimum on-time that allows high switching frequencies and smaller solution sizes. The device provides ±1.5% feedback-voltage regulation accuracy over a -40°C to +125°C range.

Features

  • Reduces external components and total cost
    • No Schottky-synchronous operation
    • Internal compensation components
    • All-ceramic capacitors, compact layout
  • Reduces the number of DC-DC regulators to stock
    • Wide 3.5V to 36V input
    • Adjustable output voltage range from 1V up to 90% of VIN
    • Delivers up to 2.4A over the temperature range
    • 400kHz to 1.5MHz adjustable frequency range
  • Reduces power dissipation
    • Peak efficiency of 95%
    • Wide 2.4V to 12V bootstrap bias input (EXTVCC) for improved efficiency
  • Operates reliably in adverse industrial environments
    • Hiccup-mode overload protection
    • Adjustable and monotonic startup with pre-biased output voltage
    • Built-in output-voltage monitoring with RESET
    • Programmable EN/UVLO threshold
    • Wide industrial -40°C to +125°C ambient operating temperature range or -40°C to +150°C junction temperature range

Applications

  • Industrial control power supplies
  • Distributed supply regulation
  • Wall transformer regulation
  • High-voltage, single-board systems

Simplified Application Diagram

Application Circuit Diagram - Analog Devices Inc. ADPL13602 Synchronous Step-Down DC-DC Converters

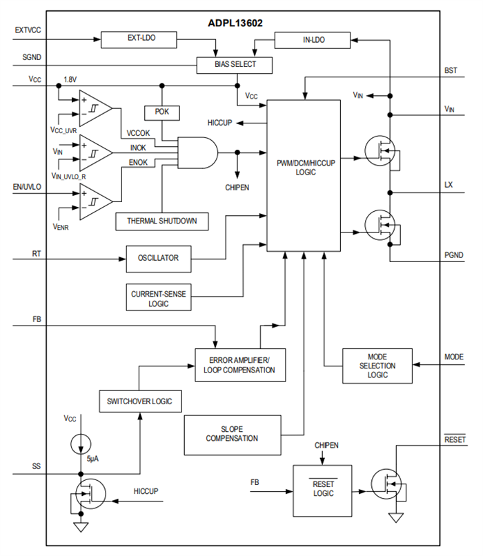
Block Diagram

Block Diagram - Analog Devices Inc. ADPL13602 Synchronous Step-Down DC-DC Converters
Publicado: 2024-02-26 | Actualizado: 2025-05-15