Solución de alimentación integrada con reguladores tipo Buck cuádruples ADP5054 de Analog Devices

Solución de alimentación integrada con reguladores
tipo Buck cuádruples ADP5054 de Analog Devices

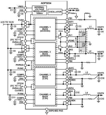
La solución de alimentación integrada con reguladores tipo Buck cuádruples ADP5054 de Analog Devices combina cuatro reguladores tipo Buck en un paquete LFCSP de 48 terminales. La solución ADP5054 satisface los exigentes requisitos de rendimiento y espacio en placa. Este dispositivo proporciona una conexión directa de altos voltajes de entrada de hasta 15 V sin reguladores previos.

Los canales 1 y 2 se integran con los MOSFET de potencia de lateral alto y los controladores MOSFET de lateral bajo. Los diseñadores pueden utilizar NFET externos en dispositivos de potencia de lateral bajo para lograr una solución con eficiencia optimizada y proporcionar una corriente de salida programable de 2 A, 4 A y 6 A. La combinación de Canal 1 y Canal 2 en una configuración paralela proporciona una salida única con hasta 12 A de corriente.

Los canales 3 y 4 se integran con ambos MOSFET de lateral alto y bajo para ofrecer una corriente de salida de 2,5 A. La combinación de Canal 3 y Canal 4 en una configuración paralela proporciona una salida única con hasta 5 A de corriente.

Los diseñadores pueden programar o sincronizar la frecuencia de conmutación de la solución ADP5054 para un reloj externo de 250 kHz a 2 MHz. Hay disponible una configuración de 1/2 frecuencias individuales para cada canal. Desarrollada con un pin de activación de precisión para cada canal, la solución ADP5054 ofrece una capacidad de secuenciado de activación sencilla. Se ha implementado una referencia de ruido interno baja de 1/f en la solución ADP5054 para aplicaciones sensibles al ruido.

La solución de alimentación integrada con reguladores tipo Buck cuádruples ADP5054 es ideal para aplicaciones de FPGA y procesadores, estaciones base de celda pequeña, seguridad y vigilancia, y aplicaciones médicas.

Características
  • Amplio intervalo de tensión de entrada: de 4,5 V a 15 V
  • Presión de salida del ±1,5% en todo el intervalo de temperaturas
  • Frecuencia de conmutación ajustable de 250 kHz a 2 MHz con 1/2 opciones de frecuencia individuales
  • Regulación de potencia/corriente
    • Canales 1 y 2: reguladores tipo Buck sincrónicos y programables de 2 A/4 A/6 A, con controlador FET en el lado bajo
    • Canales 3 y 4: reguladores tipo Buck sincrónicos de 2,5 A
  • Funcionamiento en paralelo flexible
    • Salida única de 12 A (canales 1 y 2 accionados en paralelo)
    • Salida única de 5 A (canales 3 y 4 accionados en paralelo)
  • Densidad de ruido 1/f baja (~40 µVrms @ 0,8 VREF de 10 Hz a 100 KHz)
  • Facilita la precisión con umbral preciso de 0,8 V
  • Conmutador de descarga de salida activa
  • Selección de modo FPWM/PSM
  • Entrada o salida de sincronización de frecuencia
  • Marca de alimentación correcta para la salida del canal 1
  • UVLO, OCP y protection TSD
  • Paquete LFCSP de 48 terminales, 7 mm × 7 mm
  • Intervalo de temperatura de unión en funcionamiento de −40 °C a +125 °C
Aplicaciones
  • Aplicaciones de FPGA y procesadores
  • Estaciones base de celdas pequeñas
  • Seguridad y vigilancia
  • Aplicaciones médicas

Circuito de aplicación habitual
Circuito de aplicación habitual
eNews
  • Analog Devices Inc.
Publicado: 2015-04-23 | Actualizado: 2025-01-28