Analog Devices Inc. Amplificador de instrumentación AD8428
El amplificador de instrumentación de muy bajo nivel de ruido AD8428 deAnalog Devices está diseñado para medir de forma precisa señales pequeñas de alta velocidad. Ofrece una precisión en la ganancia, un nivel de ruido y ancho de banda líderes en la industria. El ADI AD8428 incorpora una ganancia fija de 2000 y es uno de los amplificadores de instrumentación más rápidos de la industria. La arquitectura del circuito está diseñada para un elevado ancho de banda en ganancias altas. El elevado CMRR del AD8428 evita que las señales no deseadas corrompan la adquisición. Los pines de la pieza están diseñados para evitar desajustes por capacitancia parásita que puedan degradar el CMRR en frecuencias altas. Este dispositivo ADI es ideal para su uso en interfaces de sensores, instrumentación médica y aplicaciones de monitorización de pacientes.Características
- Fixed gain of 2000
- Access to internal nodes provides flexibility
- 1.5nV/√Hz input voltage low noise
- High accuracy dc performance
- 10ppm/°C Gain drift
- 1μV/°C Offset drift
- 0.2% Gain accuracy
- 130dB min CMRR
- Excellent ac specifications
- 3.5MHz Bandwidth
- 40V/μs Slew rate
- ±4V to ±18V Power supply range
- 8-pin SOIC package
- ESD protection >5000V (HBM)
- −40°C to +85°C Temperature range for specified performance
- Operational up to 125°C
Aplicaciones
- Sensor interface
- Medical instrumentation
- Patient monitoring
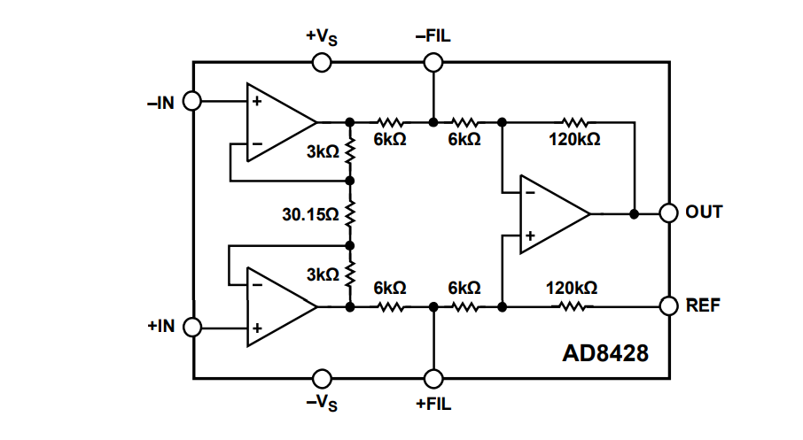
Block Diagram
Publicado: 2013-04-25
| Actualizado: 2022-03-11
