ABLIC S-82x Battery Protection Supervisory Circuits
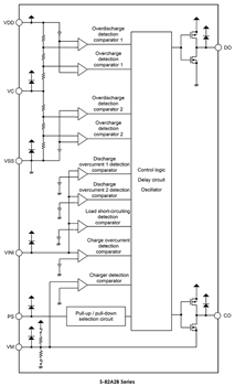
ABLIC S-82x Battery Protection Supervisory Circuits are protection ICs for lithium-ion and lithium polymer rechargeable batteries, including high-accuracy voltage detection circuits and delay circuits. Designed for 2-serial-cell packs, the S-82x ICs protect against overcharge, over-discharge, and overcurrent. These components provide high-accuracy overcurrent protection with less impact from temperature changes.The S-82A2A/C series features an input pin for charge-discharge control signal (CTL pin), allowing for charge-discharge control with an external signal.
S-82A2B and S-82B2B have an input pin for the power-saving signal (PS pin). The PS pin reduces current consumption by using an external signal to start the power-saving function.
Features
- High-accuracy voltage detection circuit
- Detection delay times are generated only by an internal circuit (external capacitors are unnecessary)
- Charge-discharge control function (S-82A2A/C and S-82B2A)
- Power-saving function (S-82A2B and S-82B2B)
- 0V battery charge
- Power-down function
- Low current consumption
- High-withstand voltage, 28V maximum
- 1.5V to 10V operating supply voltage
- 3µA operating supply current
- -40°C to +85°C operating temperature range
- SNT-8A and HSNT-8(1616) package options
- Lead-free (Sn 100%) and Halogen-free
Applications
- Lithium-ion rechargeable battery packs
- Lithium polymer rechargeable battery packs
Datasheets
Infographic
Publicado: 2022-12-08
| Actualizado: 2022-12-13
